Foram encontradas 70 questões.
• positiva: 10 ∠ 30° V • negativa: 6 ∠ 330° V • zero: 3 ∠ 0°
Diante do exposto, o valor da tensão da fase B, em V, é de
Provas
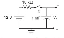
Qual deverá ser a expressão do valor da tensão V0 de saída, em volts, no instante t = 30 s?
Provas
Analisando-se esse gráfico, pode-se afirmar que, com o aumento do ganho K, o sistema em malha fechada é
Provas
Um sistema foi modelado pela seguinte função de transferência:

Caso esse modelo seja representado em espaço de estado, com a matriz da dinâmica no formato
![]()
qual deverá ser o valor de b?
Provas
Considere um sistema monovariável modelado em espaço de estado por:

em que u representa o sinal de entrada, y o sinal de saída, e x o vetor de estados.
Transformando-se esse modelo numa função de transferência, em que posições do plano s estarão localizados seus zeros?
Provas
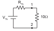
Considere o circuito apresentado na Figura, conectado à carga resistiva de 10 Ω por meio dos terminais 1 e 2.

Se o circuito apresentado for substituído por seu equivalente de Thevenin, isto é,

Qual deverá ser o valor de RTh, em ohms?
Provas
Seja C o conjunto dos números complexos e a função G:C→C, tal que
![]()
Se s = 2j, qual deverá ser o ângulo de fase, em graus, de G(s)?
Provas
Sabendo-se que a carga é equilibrada, e que as medidas dos Wattímetros W1 , W2 e W3 são iguais a, respectivamente, 30 W, 45 W e 65 W, a potência trifásica ativa solicitada pela fonte é igual a
Provas
O valor da corrente no circuito primário sem correção, sabendo-se que o TC é de 400-5A, é igual a
Provas
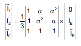
O tipo de falta que essa matriz apresenta nas suas condições de contorno é
Provas
Caderno Container