Foram encontradas 59 questões.
No circuito, conforme fig. abaixo, no primeiro momento a chave S está fechada, num segundo momento a chave S é aberta. Em relação ao segundo momento, sabendo-se que o circuito é alimentado por uma rede trifásica de 220V, podemos afirmar que a


Provas
Questão presente nas seguintes provas
Qual das sequências de cores abaixo (1°, 2°, 3° e 4°) representa o resistor com tolerância de ±1%?


Provas
Questão presente nas seguintes provas
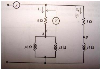
Observe o circuito abaixo. Nele, um voltímetro está conectado a um resistor de 5Ω que indica 45V. Qual é a indicação do amperímetro e qual é a tensão entre os pontos A e B respectivamente? (dados II =9∠0º I2= 9,7∠-31.3º )


Provas
Questão presente nas seguintes provas
Determine a corrente e a tensão no resistor de 12Ω do circuito abaixo

Assinale a afirmativa correta.
Provas
Questão presente nas seguintes provas
Com relação aos conceitos básicos da eletricidade, quais das afirmativas abaixo são VERDADEIRAS.
I - Quando cargas elétricas não estão em movimentos, o efeito produzido por elas é conhecido como eletricidade estática.
II - Quando dois corpos neutros são atritados entre si, haverá movimento de elétrons. Uma série denominada série triboelétrica indica o sinal da carga após a fricção.
III -Quando se admite que o sentido da corrente é oposto ao do movimento do dos elétrons, fala-se em sentido convencional.
IV - Denomina-se intensidade de corrente elétrica a quantidade de carga que atravessa a seção longitudinal de um condutor por unidade de tempo.
V - A intensidade da corrente elétrica é inversamente proporcional à diferença de potencial a que esta submetido o condutor e diretamente proporcional à resistência elétrica deste condutor.
Estão corretas as afirmativas
I - Quando cargas elétricas não estão em movimentos, o efeito produzido por elas é conhecido como eletricidade estática.
II - Quando dois corpos neutros são atritados entre si, haverá movimento de elétrons. Uma série denominada série triboelétrica indica o sinal da carga após a fricção.
III -Quando se admite que o sentido da corrente é oposto ao do movimento do dos elétrons, fala-se em sentido convencional.
IV - Denomina-se intensidade de corrente elétrica a quantidade de carga que atravessa a seção longitudinal de um condutor por unidade de tempo.
V - A intensidade da corrente elétrica é inversamente proporcional à diferença de potencial a que esta submetido o condutor e diretamente proporcional à resistência elétrica deste condutor.
Estão corretas as afirmativas
Provas
Questão presente nas seguintes provas
Com relação aos conceitos básicos da eletricidade, quais das afirmativas abaixo são VERDADEIRAS?
I - A resistência é diretamente proporcional à área de seção transversal do material condutor.
II - Resistividade é o parâmetro de resistência atribuído a cada tipo de material conforme sua natureza.
III - Potência é a rapidez com que se gasta energia ou a rapidez com que se realiza trabalho.
IV - O efeito Joule pode ser explicado através do choque entre os elétrons quando se movimentam para originar uma corrente elétrica.
V - A unidade física de potência no Sistema Internacional é Watt (W), é igual a 1 Joule (J) por minuto.
Estão corretas as afirmativas
I - A resistência é diretamente proporcional à área de seção transversal do material condutor.
II - Resistividade é o parâmetro de resistência atribuído a cada tipo de material conforme sua natureza.
III - Potência é a rapidez com que se gasta energia ou a rapidez com que se realiza trabalho.
IV - O efeito Joule pode ser explicado através do choque entre os elétrons quando se movimentam para originar uma corrente elétrica.
V - A unidade física de potência no Sistema Internacional é Watt (W), é igual a 1 Joule (J) por minuto.
Estão corretas as afirmativas
Provas
Questão presente nas seguintes provas
Com relação aos conceitos básicos da eletricidade, quais das afirmativas abaixo são VERDADEIRAS.
I - Chama-se apenas de resistor equivalente ao resistor que substitui todas as associações desses componentes (resistores) em um circuito produzindo o mesmo efeito que todos os resistores deste mesmo circuito.
II - Quando se liga uma fonte de tensão a resistores associados em série, a corrente diminui à medida que passa de um resistor para outro.
III - Na associação em paralelo de diferentes resistores estes são submetidos à mesma corrente e as tensões diferentes.
IV - O teorema da superposição estabelece que, em qualquer circuito elétrico que contenha duas ou mais fontes de tensão, a corrente em qualquer ponto do circuito é a soma algébrica das correntes que cada fonte produz individualmente.
V - A capacitância é a relação entre a carga elétrica que um capacitor pode armazenar e a diferença de potencial entre suas duas placas.
Estão corretas as afirmativas
I - Chama-se apenas de resistor equivalente ao resistor que substitui todas as associações desses componentes (resistores) em um circuito produzindo o mesmo efeito que todos os resistores deste mesmo circuito.
II - Quando se liga uma fonte de tensão a resistores associados em série, a corrente diminui à medida que passa de um resistor para outro.
III - Na associação em paralelo de diferentes resistores estes são submetidos à mesma corrente e as tensões diferentes.
IV - O teorema da superposição estabelece que, em qualquer circuito elétrico que contenha duas ou mais fontes de tensão, a corrente em qualquer ponto do circuito é a soma algébrica das correntes que cada fonte produz individualmente.
V - A capacitância é a relação entre a carga elétrica que um capacitor pode armazenar e a diferença de potencial entre suas duas placas.
Estão corretas as afirmativas
Provas
Questão presente nas seguintes provas
Com relação aos conceitos básicos da eletricidade, quais das afirmativas abaixo são VERDADEIRAS.
I - Um ciclo, de uma corrente alternada, é um conjunto completo de valores positivos e negativos da forma de onda de uma grandeza alternada.
II - Em um ciclo de uma onda alternada senoidal simétrica o conjunto de valores positivos (semiciclo) é ligeiramente diferente do conjunto de pontos de valores negativos (semiciclo) decorrentes da natureza da onda.
III- Frequência é o número de ciclos, ainda que incompletos, por unidade de tempo (s) e sua grandeza é expressa em Hertz (Hz).
IV - Quando frequência é expressa em Hertz, o período é medido em segundos.
V - O valor máximo de uma onda também é denominado amplitude ou valor de pico.
Estão corretas as afirmativas
I - Um ciclo, de uma corrente alternada, é um conjunto completo de valores positivos e negativos da forma de onda de uma grandeza alternada.
II - Em um ciclo de uma onda alternada senoidal simétrica o conjunto de valores positivos (semiciclo) é ligeiramente diferente do conjunto de pontos de valores negativos (semiciclo) decorrentes da natureza da onda.
III- Frequência é o número de ciclos, ainda que incompletos, por unidade de tempo (s) e sua grandeza é expressa em Hertz (Hz).
IV - Quando frequência é expressa em Hertz, o período é medido em segundos.
V - O valor máximo de uma onda também é denominado amplitude ou valor de pico.
Estão corretas as afirmativas
Provas
Questão presente nas seguintes provas
Com relação aos conceitos básicos da eletricidade, analise as afirmativas abaixo.
I - A resistência é diretamente proporcional à área de seção transversal do material condutor.
II - Resistividade é o parâmetro de resistência atribuído a cada tipo de material conforme sua natureza.
III - Potência é a rapidez com que se gasta energia ou a rapidez com que se realiza trabalho.
IV - O efeito Joule pode ser explicado através do choque entre os elétrons quando se movimentam para originar uma corrente elétrica.
V - A unidade física de potência no Sistema Internacional é Watt (W) e é igual a 1 Joule (J) por minuto.
Estão corretas as afirmativas
I - A resistência é diretamente proporcional à área de seção transversal do material condutor.
II - Resistividade é o parâmetro de resistência atribuído a cada tipo de material conforme sua natureza.
III - Potência é a rapidez com que se gasta energia ou a rapidez com que se realiza trabalho.
IV - O efeito Joule pode ser explicado através do choque entre os elétrons quando se movimentam para originar uma corrente elétrica.
V - A unidade física de potência no Sistema Internacional é Watt (W) e é igual a 1 Joule (J) por minuto.
Estão corretas as afirmativas
Provas
Questão presente nas seguintes provas
Com relação às medidas de controle e medição de sistemas elétricos e eletrônicos, quais das afirmativas abaixo são VERDADEIRAS?
I - O voltímetro ideal é aquele que possui resistência interna finita (8) não interferindo no circuito, quando conectado em série com os pontos entre os quais se deseja medir a tensão.
II - O amperímetro ideal é aquele que possui resistência interna nula, não influindo no circuito a ser medido.
III - Para efetuar uma medida, com o amperímetro, cujo valor é desconhecido, devemos (por medida de precaução) colocar a chave seletora numa posição de fundo de escala de alto valor e ir diminuindo até atingir uma escala apropriada.
IV - O osciloscópio é um instrumento cuja finalidade básica é visualizar fenômenos elétricos, todavia não possibilita medir tensões continuas ou alternadas, somente períodos, frequências e defasagem.
V - Para medir uma resistência, utilizando o galvonômetro com sua escala graduada em ohms, é necessário que circule uma corrente pelo elemento a ser medido, deflexionando o ponteiro proporcionalmente ao valor deste.
Estão corretas as afirmativas
I - O voltímetro ideal é aquele que possui resistência interna finita (8) não interferindo no circuito, quando conectado em série com os pontos entre os quais se deseja medir a tensão.
II - O amperímetro ideal é aquele que possui resistência interna nula, não influindo no circuito a ser medido.
III - Para efetuar uma medida, com o amperímetro, cujo valor é desconhecido, devemos (por medida de precaução) colocar a chave seletora numa posição de fundo de escala de alto valor e ir diminuindo até atingir uma escala apropriada.
IV - O osciloscópio é um instrumento cuja finalidade básica é visualizar fenômenos elétricos, todavia não possibilita medir tensões continuas ou alternadas, somente períodos, frequências e defasagem.
V - Para medir uma resistência, utilizando o galvonômetro com sua escala graduada em ohms, é necessário que circule uma corrente pelo elemento a ser medido, deflexionando o ponteiro proporcionalmente ao valor deste.
Estão corretas as afirmativas
Provas
Questão presente nas seguintes provas
Cadernos
Caderno Container