Foram encontradas 60 questões.
Os Sistemas prediais de água fria e água quente devem ser projetados de modo que, durante a vida útil do projeto, atendam aos requisitos a seguir.
I. Considerar acesso para verificação e manutenção.
II. Preservar a potabilidade da água potável.
III. Evitar a manutenibilidade de todo o sistema.
Assinale a opção que indica a(s) afirmativa(s) CORRETA(S).
Provas
De acordo com a NBR de Sistemas prediais de água fria e água quente — Projeto, execução, operação e manutenção, têm-se os seguintes conceitos:
I. Aquecimento central coletivo: fornecimento de água quente a partir de aquecedor remoto, instalado a montante de pontos de utilização pertencentes a mais de uma economia ou unidade.
II. Aquecimento individual: fornecimento de água quente a partir de aquecedor remoto, instalado a montante de pontos de utilização pertencentes a uma mesma economia ou unidade.
III. Aquecimento central privado: fornecimento de água quente a partir de aquecedor instalado a jusante do ponto de utilização de água fria que dispensa sistema de distribuição de água quente.
Marque a opção que indica o(s) conceito(s) CORRETO(S).
Provas
Entre as características físicas da madeira cujo conhecimento é importante para sua utilização como material de construção, destacam-se:
I. Classificação botânica.
II. Anisotropia.
III. Umidade.
Assinale a opção que indica a(s) afirmativa(s) CORRETA(S).
Provas
Em projetos de estruturas de madeiras, devem ser consideradas as ações que, além de outras, possam agir em casos especiais, as relacionadas a seguir.
I. Impacto vertical.
II. Impacto lateral.
III. Impacto flexível.
Marque a opção que apresenta a(s) afirmativa(s) CORRETA(S).
Provas
Comparando-se uma edificação que será construída utilizando o sistema estrutural em aço com uma outra construção igual que será construída utilizando sistema em concreto armado, é CORRETO afirmar como vantagens do sistema estrutural do aço:
Provas
Na análise estrutural, deve ser considerada a influência de todas as ações que possam produzir efeitos significativos para a estrutura, levando-se em conta os estados-limites últimos e de serviço. As ações a considerar classificam-se, de acordo com a ABNT (Associação Brasileira de Normas Técnicas) NBR (Norma Brasileira) 8681, em
Provas
Em mecânica dos solos, podemos afirmar que Tensão Efetiva é a
Provas
Observe o gráfico a seguir.

Qual é o nome da região circulada?
Provas
Analise a estrutura apresentada a seguir

É CORRETO afirmar que esta é uma estrutura
Provas
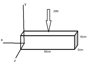
Observe a imagem a seguir e calcule o valor da tensão normal de cisalhamento em relação ao plano yz.

Assinale a opção CORRETA.
Provas
Caderno Container