Foram encontradas 155 questões.
- Circuitos ElétricosCircuitos CACircuitos Trifásicos
- Transformadores e Máquinas ElétricasMáquinas Síncronas
Provas
Para o circuito elétrico a seguir, os elementos nele contidos não estão especificados (podendo ser um resistor ou uma fonte de tensão). A corrente e a tensão de cada elemento estão especificadas tanto em valor como em variável. De acordo com a convenção passiva, uma potência de valor positivo indica que o elemento está absorvendo potência, um valor negativo indica que o elemento está fornecendo potência. Assim, assinale a alternativa que apresenta os valores de V, I e as potências em D e B, respectivamente.

Provas
As conexões para o uso do método dos dois wattímetros estão indicadas no circuito elétrico fornecido. As tensões são simétricas, e a carga, equilibrada. Com relação à interpretação das leituras dos dois wattímetros para a obtenção da potência média total fornecida à carga, assinale a alternativa que contém a afirmação correta.

Provas
O circuito da figura representa um modelo simplificado de uma célula fotovoltaica. A corrente is é proporcional à insolação (kW/m2 ). Determine o valor da resistência de carga RL para que a máxima potência elétrica seja transferida. Determine o valor da Potência Máxima, quando i s = 10 A. Assinale a alternativa correta.

Provas
Provas
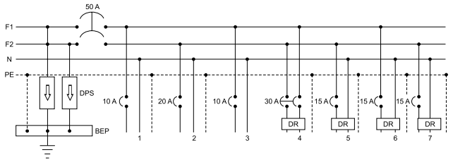
O diagrama multifilar de uma instalação residencial elaborada conforme a Norma NBR-5410 é apresentado na Figura.
Figura – Diagrama Multifilar

(CREDER, 16ª Edição, 2016)
Sabendo-se que a rede de distribuição que atende a essa instalação tem tensão secundária de 220/127 V, é correto afirmar que os circuitos
Provas
- Instalações ElétricasEquipamentos em Média Tensão
- Sistemas Elétricos de PotênciaDistribuição de Energia Elétrica
É correto afirmar que os elementos A, B, C e D são, nesta ordem:
Provas
Provas
Provas
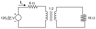
O circuito elétrico representado na figura tem um transformador ideal. Para esse circuito, encontre a corrente I1 fornecida pela fonte.

Assinale a alternativa correta.
Provas
Caderno Container