Foram encontradas 50 questões.

Um osciloscópio é utilizado para medir o fator de potência de uma carga indutiva. O alicate de corrente é conectado ao canal 1 (CH 1 – X), e a ponteira de tensão, ao canal 2 (CH 2 – Y), conforme indicado na figura acima. O trigger é ajustado para o modo XY, e a tela do osciloscópio mostra o resultado obtido. Sabe-se que o módulo da impedância da carga é igual a 1 Ω. De acordo com a medição feita, o fator de potência da carga é
Provas
Questão presente nas seguintes provas

No circuito da figura acima, uma carga é alimentada por uma fonte de tensão alternada através de uma linha de transmissão. Utilizam-se dois transformadores ideais, T1 e T2, cujas relações de transformação são 1:5 e 5:1, respectivamente. A linha de transmissão tem uma resistência equivalente total de
Com base nessas informações, a potência dissipada, em kW, na linha de transmissão, éProvas
Questão presente nas seguintes provas

Uma carga trifásica indutiva é alimentada por uma fonte de tensão trifásica, equilibrada e balanceada, conforme mostrado na figura acima. Os valores r.m.s. da tensão e da corrente de fase, fornecidos pela fonte, são 120 V e 5 A, respectivamente. A potência ativa total consumida pela carga é igual a 1.530 W. De acordo com essas informações, o fator de potência da carga é
Provas
Questão presente nas seguintes provas
- EletrotécnicaCircuitos Elétricos em Eletricidade
- EletrotécnicaCircuitos de Corrente Contínua e de Corrente Alternada

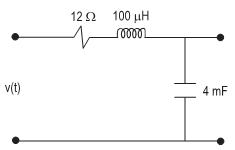
O circuito RLC, apresentado na figura acima, é alimentado por uma fonte de tensão alternada senoidal v(t), de frequência
e está operando em regime permanente. O fator de potência desse circuito, aproximado para uma casa decimal, éProvas
Questão presente nas seguintes provas
Considere a função combinacional digital W = f(X,Y,Z) que apresenta a seguinte tabela verdade:

A expressão da função mínima é

A expressão da função mínima é
Provas
Questão presente nas seguintes provas
- EletrotécnicaCircuitos Elétricos em Eletricidade
- EletrotécnicaCircuitos de Corrente Contínua e de Corrente Alternada

No circuito da figura acima, as tensões sobre o capacitor em regime permanente, com a chave aberta e com a chave fechada, são, respectivamente,
Provas
Questão presente nas seguintes provas

A figura acima apresenta o gráfico do consumo diário de potência ativa de uma determinada instalação que pode ser considerado o mesmo para todos os dias do mês, inclusive finais de semana e feriados. Considerando-se que o mês em questão seja de 30 dias e que o medidor de reativos nesse mês tenha registrado 10.260 kVArh, o fator de potência médio da instalação, em valores aproximados, é calculado pela expressão
Provas
Questão presente nas seguintes provas

A Figura 1 apresenta um circuito composto por um resistor de 10 Ω em série com um elemento denominado caixa preta, alimentados por uma fonte de tensão senoidal E(t) com frequência angular
= 2 rad/s. A Figura 2 apresenta as formas de onda da tensão da fonte senoidal e da tensão sobre o resistor Vr(t). A Figura 2 mostra uma defasagem de 30° entre as senoides. O elemento denominado caixa preta é constituído de um(a)
Provas
Questão presente nas seguintes provas
Com relação a NR-10, que trata de segurança em instalações elétricas e serviços em eletricidade, considere as afirmações abaixo.
I - As medidas de proteção coletiva devem ser adotadas prioritariamente às medidas de proteção individual.
II - A isolação das partes vivas e os sistemas de seccionamento automático são medidas de proteção individual.
III - A desenergização de uma instalação elétrica é obtida quando se instala um sistema de aterramento temporário.
Está correto APENAS o que se afirma em
I - As medidas de proteção coletiva devem ser adotadas prioritariamente às medidas de proteção individual.
II - A isolação das partes vivas e os sistemas de seccionamento automático são medidas de proteção individual.
III - A desenergização de uma instalação elétrica é obtida quando se instala um sistema de aterramento temporário.
Está correto APENAS o que se afirma em
Provas
Questão presente nas seguintes provas
De acordo com o estabelecido pela NBR 5410 quanto à seleção e instalação dos dispositivos destinados a prover a função de proteção em instalações elétricas de baixa tensão, considere as afirmações abaixo.
I - Nos dispositivos que utilizam fusíveis, cujo porta-fusível é do tipo rosqueado, as conexões da base devem ser instaladas de modo que o contato central se situe do lado “fonte".
II - Os disjuntores instalados em quadros de distribuição terminais, independente da edificação e seus ocupantes, devem ter características construtivas e informações claras que permitam alterar, manualmente, o ajuste de seus disparadores de sobrecorrente mediante ação voluntária.
III - O circuito magnético dos dispositivos DR deve envolver todos os condutores fase do circuito elétrico, mas não deve envolver o condutor neutro.
Está correto APENAS o que se afirma em
I - Nos dispositivos que utilizam fusíveis, cujo porta-fusível é do tipo rosqueado, as conexões da base devem ser instaladas de modo que o contato central se situe do lado “fonte".
II - Os disjuntores instalados em quadros de distribuição terminais, independente da edificação e seus ocupantes, devem ter características construtivas e informações claras que permitam alterar, manualmente, o ajuste de seus disparadores de sobrecorrente mediante ação voluntária.
III - O circuito magnético dos dispositivos DR deve envolver todos os condutores fase do circuito elétrico, mas não deve envolver o condutor neutro.
Está correto APENAS o que se afirma em
Provas
Questão presente nas seguintes provas
Cadernos
Caderno Container