Foram encontradas 2.005 questões.


Provas


Provas
- Proteção de Sistemas ElétricosDispositivos de Proteção
- Proteção de Sistemas ElétricosProteção de Máquinas Elétricas, Barramentos e Linhas


Provas


Provas


Provas

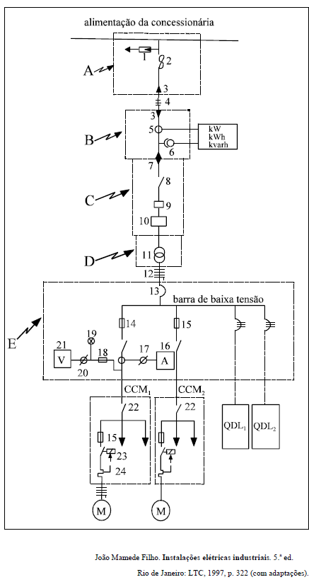
Relativamente aos equipamentos e dispositivos elétricos industriais e tendo em vista o texto CE-II, julgue o item seguinte.
No centro de controle de motores (CCM1) mostrado no diagrama unifilar, os equipamentos de comando e proteção de motores identificados pelos números 22, 23 e 24 representam, respectivamente, a chave seccionadora tripolar, o contator tripolar e o relé térmico.
Provas

Relativamente aos equipamentos e dispositivos elétricos industriais e tendo em vista o texto CE-II, julgue o item seguinte.
Os cabos ou condutores no diagrama unifilar da figura identificados pelos números 4 e 12 devem ter a mesma classe de tensão e, conseqüentemente, a mesma bitola emmm2 e o mesmo tipo de condutor.
Provas

Relativamente aos equipamentos e dispositivos elétricos industriais e tendo em vista o texto CE-II, julgue o item seguinte.
Os equipamentos no diagrama unifilar da figura identificados pelos números 1, 2 e 3 representam, respectivamente, pára-raios de distribuição, chave fusível e mufla terminal.
Provas

Relativamente aos equipamentos e dispositivos elétricos industriais e tendo em vista o texto CE-II, julgue o item seguinte.
Os quadrados tracejados da figura identificados pelas letras A, B, C, D e E delimitam, respectivamente, o ponto de entrega de energia, o posto de medição, o posto de proteção, o posto de transformação e o quadro geral de força (QGF).
Provas

Relativamente aos equipamentos e dispositivos elétricos industriais e tendo em vista o texto CE-II, julgue o item seguinte.
Na elaboração de um projeto de instalação elétrica industrial, deve-se adotar a simbologia que represente cada material e equipamento utilizados de acordo com a simbologia de origem do fabricante e com a simbologia necessária para a cotação internacional de preços.
Provas
Caderno Container