Foram encontradas 70 questões.
Em uma edificação residencial com 8 pavimentos tipo, compostos de 6 apartamentos por andar, cada um com 3 quartos sociais, é necessário calcular, considerando apenas esses pavimentos, o volume de água a ser reservado.
Adote em seus cálculos:
- Taxa de ocupação: 2 pessoas/quarto.
- Consumo per capita: 200L/pessoa.
- Freqüência semanal de abastecimento: domingos, 4ªs e 6ªs feiras.
- Cada abastecimento tem condições de encher completamente os reservatórios.
Segundo os dados fornecidos, o volume mínimo para atender a esses apartamentos, em L, é:
Provas
A questão refere-se ao trecho de instalação elétrica abaixo esquematizado e devem ser respondidas considerando a norma NBR 5444: 1989 (Símbolos gráficos para instalações elétricas prediais) da ABNT. Não considere o fio terra.

O trecho 3 corresponde a uma tomada baixa. Logo, sua representação correta é:
Provas
A questão refere-se ao trecho de instalação elétrica abaixo esquematizado e devem ser respondidas considerando a norma NBR 5444: 1989 (Símbolos gráficos para instalações elétricas prediais) da ABNT. Não considere o fio terra.

Considerando a distribuição unifilar apresentada, os símbolos que devem ser desenhados em 1 e 2 são, respectivamente:
Provas
Uma das formas de medir a capacidade de suporte de um subleito para projeto de pavimentos é através de um ensaio que define uma relação percentual entre as pressões necessárias para obter uma determinada penetração de um pistão de dimensões especificadas em uma amostra do solo em estudo e as pressões necessárias para obter a mesma penetração em uma amostra padrão.
Dos ensaios abaixo, o que corresponde ao descrito é o Ensaio:
Provas
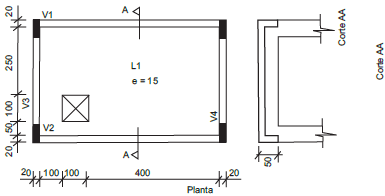
A questão refere-se à planta de armação de lajes abaixo esquematizada.

Observe as afirmativas a seguir.
I - O desenho está incompleto, pois falta representar N5, obrigatoriamente perpendicular a N3.
II - A laje L1 é armada em cruz.
III - A armação N3 é do tipo alternada.
É(São) verdadeira(s) apenas a(s) afirmativa(s):
Provas
A questão refere-se à planta de armação de lajes abaixo esquematizada.

Entre as armações desenhadas, é(são) positiva(s), apenas:
Provas
Correlacione as letras indicadas na viga abaixo esquematizada com os nomes dados.

A relação correta é:
Provas
A questão refere-se à planta de forma abaixo esquematizada.

• Desenho sem escala
• Pilares = 20 x 40
• Vigas = 20 x 50
• Cotas em centímetros
Sendo o volume de concreto de V1 = V2 = 0,60 m3 e o de V3 = V4 = 0,36 m3, o volume de concreto da laje, em m3, é:
Provas
A questão refere-se à planta de forma abaixo esquematizada.

• Desenho sem escala
• Pilares = 20 x 40
• Vigas = 20 x 50
• Cotas em centímetros
A área de forma da viga V2, em m2, é:
Provas
O gráfico que ilustra o comportamento da Curva de Abrams para a variação média da resistência à compressão do concreto em função do fator água/cimento aos 28 dias é:
Provas
Caderno Container