Foram encontradas 45 questões.
Assinale a alternativa que contém o nome do componente ilustrado a seguir.

Provas
Questão presente nas seguintes provas
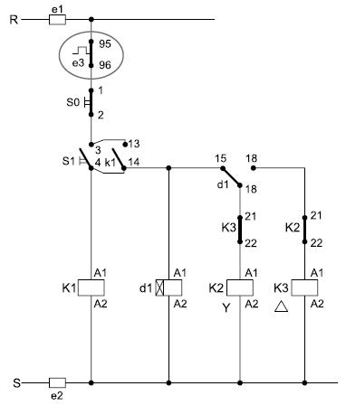
Assinale a alternativa que contém a denominação do
esquema de ligação do motor trifásico de 12 terminais
representado no diagrama a seguir.


Provas
Questão presente nas seguintes provas
- EletrotécnicaCircuitos Elétricos em Eletricidade
- EletrotécnicaCircuitos de Corrente Contínua e de Corrente Alternada
Assinale a alternativa que contém o nome do equipamento ilustrado no diagrama esquemático a seguir.


Provas
Questão presente nas seguintes provas
Assinale a alternativa que contém o nome do elemento
circulado no diagrama esquemático de um comando
elétrico.


Provas
Questão presente nas seguintes provas
Assinale a alternativa que contém o nome do símbolo ilustrado a seguir, utilizado em diagramas elétricos unifilares.


Provas
Questão presente nas seguintes provas
Assinale a alternativa que contém o nome do símbolo ilustrado a seguir, utilizado em diagramas elétricos unifilares.


Provas
Questão presente nas seguintes provas
Assinale a alternativa que contém a identificação correta do sistema de aterramento ilustrado no diagrama
a seguir.


Provas
Questão presente nas seguintes provas
Assinale a alternativa que contém o nome do elemento
utilizado nas redes elétricas aéreas de distribuição, ilustrado a seguir.


Provas
Questão presente nas seguintes provas
Assinale a alternativa contendo a informação que
preenche corretamente a lacuna do texto a seguir.
Os ________________ são dispositivos empregados em instalações elétricas para a proteção contra sobretensões transitórias causadas por descargas atmosféricas.
Os ________________ são dispositivos empregados em instalações elétricas para a proteção contra sobretensões transitórias causadas por descargas atmosféricas.
Provas
Questão presente nas seguintes provas
Assinale a alternativa que contém o valor da rotação de
um motor elétrico trifásico de indução de 4 polos, ligado
em uma rede 60 Hz.
Provas
Questão presente nas seguintes provas
Cadernos
Caderno Container