Foram encontradas 35 questões.
Para que um motor tenha o acionamento intermediado por uma chave estrelatriângulo é necessário que ele seja:
Provas
A descrição a seguir:
“Dispositivo eletromecânico, que funciona como um interruptor automático, destinado a proteger uma determinada instalação elétrica contra possíveis danos causados por curto-circuito e sobrecargas elétricas”
Refere-se mais precisamente a que tipo de dispositivo:
Provas
Um bom projeto de iluminação externa deve considerar os aspectos de custo de implantação, de manutenção e operação do sistema. Considere:
I. O consumo da iluminação é desprezível em relação à energia utilizada na produção de água tratada, sendo importante apenas o custo de implantação na definição do projeto.
II. Mesmo que com custo mais elevado, lâmpadas de vapor de sódio justificam-se em relação às de mistas.
III. Áreas externas exigem uma iluminação com bom índice de reprodução de cores visando à segurança da área.
IV. O desligamento de parte da iluminação externa, mantendo-se apenas o mínimo necessário para a segurança, durante a madrugada, é um bom critério de projeto.
V. Além da vida útil da lâmpada, deve-se considerar o custo de aquisição no projeto.
VI. A correção do fator de potência não deve merecer maior atenção no detalhamento do projeto elétrico.
É correto o que consta APENAS em:
Provas
Toda e qualquer instalação elétrica, seja de baixa ou média tensão deve possuir um sistema de aterramento eficiente. Dentro desse contexto considere as afirmativas a seguir:
I. O corpo humano está sujeito à tensão de passo quando em contato com cabos elétricos energizados.
II. A proteção do usuário ou operador de uma instalação elétrica contra um possível contato com partes energizadas é um objetivo do aterramento.
III. Eletrodos de terra, condutor de aterramento, captores e condutor de proteção são elementos de uma malha de terra.
Assinale:
Provas
A respeito de transformadores, inversores de frequência e nobreaks, assinale a opção correta.
Provas
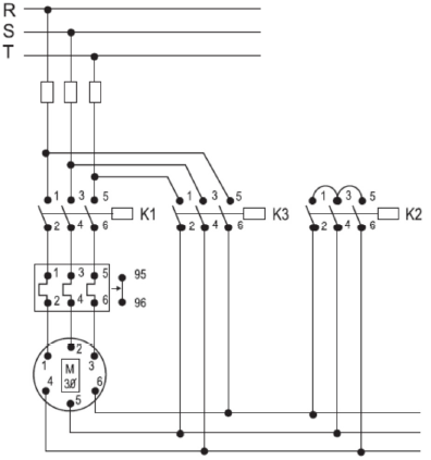
A respeito da partida de motores usando a chave estrela-triângulo, cujo diagrama de força é apresentado na figura abaixo, considere as afirmativas a seguir.

I - No instante da partida do motor, somente as chaves contatoras K1 e K3 são energizadas.
II - Após chaveamento da ligação estrela para triângulo, somente as chaves contatoras K1 e K2 estarão energizadas.
III - No regime permanente de operação, somente as chaves contatoras K1 e K3 estarão energizadas.
Está correto APENAS o que se afirma em:
Provas
Em uma carga elétrica de um circuito monofásico, foi realizada a medição da tensão e da corrente elétrica com um voltímetro e um amperímetro. Os valores dessas medições foram multiplicados matematicamente. O resultado dessa multiplicação perfaz uma potência:
Provas
No que concerne ao dimensionamento de condutores elétricos utilizados em instalações elétricas de baixa tensão, assinale a opção correta.
Provas
Para a partida direta de motores de indução trifásicos existe um valor limite de potência admissível; acima dele, faz-se necessário o uso de dispositivos que limitam a corrente durante a partida do motor. Acerca do uso do dispositivo chave estrela-triângulo para essa finalidade, assinale a opção correta.
Provas
Tomando por base os conceitos referentes a Luminotécnica, entende-se por iluminância:
Provas
Caderno Container