Foram encontradas 266 questões.
Assinale a alternativa que apresenta alguns dos Protocolos Ethernet Industriais.
Provas
Os inversores de frequência permitem a utilização de dois tipos de controle: o escalar e o vetorial. Assinale a alternativa correta para as principais características destes tipos de controle:
Provas
Assinale a alternativa que indica as vantagens no uso da partida estrela- triângulo:
Provas

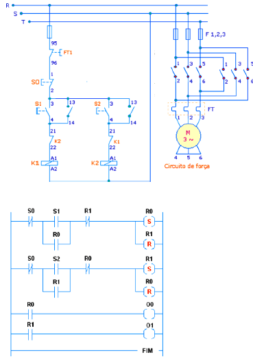
Considerando as figuras de força/comando e o diagrama Ladder a seguir, pode-se afirmar que eles representam um circuito de:
Provas
- Linguagens e Suportes MidiáticosProdução AudiovisualLuz, Iluminação e Luminotécnica em Audiovisual e Cinema
Saber escolher os equipamentos de iluminação é atribuição do diretor de fotografia. Por isso ele precisa conhecer os tipos e respectivas funções de lâmpadas, refletores e filtros. Refletores direcionam os raios de luz para onde eles são úteis. Além disso, modificam a natureza da luz com espelhos e lentes e tornam a luz mais controlável. Sobre os equipamentos utilizados em iluminação de cena, é correto afirmar, conforme MOURA (2009) que:
Provas
A tecnologia digital está revolucionando as mídias em diversos aspectos – mercado, equipamentos, conteúdo, estética, formas de acesso e recepção. De acordo com as ponderações de Cannito sobre a televisão na era digital, é correto afirmar que:
Provas
- Linguagens e Suportes MidiáticosProdução AudiovisualLuz, Iluminação e Luminotécnica em Audiovisual e Cinema
Para Edgar Moura, a partir do ponto de vista da câmera, existem três posições para se colocar a luz. A alternativa que melhor expressa essas três posições, é:
Provas
- Linguagens e Suportes MidiáticosProdução AudiovisualRoteiro, Produção e Edição de Conteúdo Audiovisual e Cinematográfico
O uso de tecnologias digitais para som implicou em importantes mudanças no cinema brasileiro nas últimas décadas. A esse respeito, é correto afirmar:
Provas
- Linguagens e Suportes MidiáticosProdução AudiovisualTeorias, Conceitos e Terminologia de Audiovisual e Cinema
Em análise fílmica, o conceito de música diegética é utilizado para designar:
Provas
- Linguagens e Suportes MidiáticosProdução AudiovisualTeorias, Conceitos e Terminologia de Audiovisual e Cinema
Numa filmagem a marcação da cena consiste em:
Provas
Caderno Container