Foram encontradas 50 questões.
O princípio básico dos instrumentos de medição digitais é a conversão dos sinais analógicos de entrada em dados digitais. Os dois principais tipos de display empregados em tais equipamentos são o LED e o LCD, que possuem características distintas. Em uma comparação entre esses dois tipos de display, os três aspectos desejáveis a seguir foram analisados:
1. Pouca variação do tempo de resposta com a temperatura.
2. Facilidade de leitura mesmo sob incidência direta de luz solar.
3. Consumo baixo de energia.
Pode-se dizer que os displays do tipo LCD apresentam desempenho superior aos do tipo LED no(s) aspecto(s):
Provas
O instrumento utilizado para medir o fator de potência de um determinado equipamento é denominado:
Provas
A permeabilidade magnética de um material ferromagnético depende da força magnetizante H e da densidade do fluxo magnético B. A alternativa que melhor expressa uma curva típica de magnetização do material é:
Provas
A medida da oposição que determinado meio oferece ao estabelecimento e concentração das linhas de um campo magnético é denominada:
Provas
O diagrama a seguir mostra um circuito trifásico.

Se a tensão é dada em V, o valor da corrente i indicada na figura, em Amperes, é de:
Provas
Observe o diagrama de potência a seguir:

O fator de potência associado a esse diagrama vale:
Provas
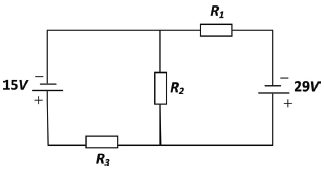
Observe atentamente o diagrama de corrente contínua mostrado na figura abaixo:

| Resistência | |
| R1 | 2\( \Omega \) |
| R2 | 4\( \Omega \) |
| R3 | \( 3\Omega \) |
As quedas de tensão nas resistências R1 e R3 valem respectivamente, em módulo:
Provas
Observe as figuras a seguir.

Os símbolos I e II, utilizados em diagramas de sistemas elétricos, correspondem respectivamente aos componentes:
Provas
Segundo o sistema internacional de unidades, o potencial de tensão pode ser expresso pela seguinte unidade:
Provas
Henry, Coloumb e Farad são respectivamente unidades de medidas para as seguintes grandezas:
Provas
Caderno Container