Magna Concursos

Foram encontradas 150 questões.

4002349 Ano: 2025
Disciplina: Engenharia Civil
Banca: Verbena
Orgão: GoiásFomento
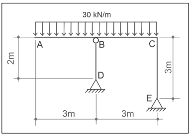
Observe a imagem a seguir, que representa o esquema estático de um pórtico plano isostático composto e seu respectivo diagrama de esforço cortante (DEC). 
                                         Enunciado 4493406-1

Ao analisar o pórtico plano composto isostático dado pela imagem, verifica-se que as reações horizontais nos apoios articulados dos pontos D e E são
 

Provas

Questão presente nas seguintes provas
4002348 Ano: 2025
Disciplina: Engenharia Civil
Banca: Verbena
Orgão: GoiásFomento
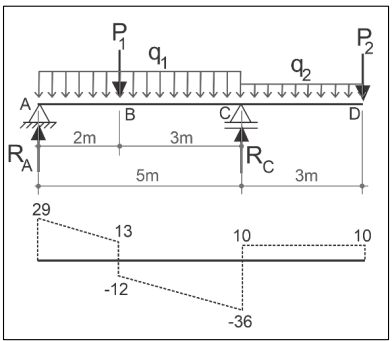
Observe a imagem a seguir, que representa o esquema estático de uma viga e seu diagrama de esforço cortante (DEC).
                                          Enunciado 4493405-1

Ao analisar o esquema estático da viga e o seu respectivo diagrama de esforço cortante indicado na imagem, é possível afirmar que os valores das forças concentradas P1 e P2, das cargas distribuídas q1 e q2 e das reações verticais nos apoios RA e RC são respectivamente:
 

Provas

Questão presente nas seguintes provas
4002347 Ano: 2025
Disciplina: Engenharia Civil
Banca: Verbena
Orgão: GoiásFomento
O rebaixamento temporário ou permanente do lençol freático muitas vezes é necessário para a viabilidade e segurança da execução de algumas tipologias de obras. O rebaixamento de água realizado por meio de perfurações com mais de seis metros de profundidade, revestido por um tubo fechado na base e perfurado ao longo de uma certa altura, sendo, essa parte, envolta por um conjunto de malhas filtrantes, onde, no seu interior, é instalada uma bomba submersa de eixo vertical que recalca a água para um coletor de evacuação, é característica de qual método de rebaixamento?
 

Provas

Questão presente nas seguintes provas
4002346 Ano: 2025
Disciplina: Engenharia Civil
Banca: Verbena
Orgão: GoiásFomento
A frequência de intervenções de manutenção preventiva é um aspecto crucial para garantir a funcionalidade e a segurança das edificações. Sendo assim, qual a periodicidade estabelecida para a manutenção dos sistemas prediais que compõem uma edificação?
 

Provas

Questão presente nas seguintes provas
4002345 Ano: 2025
Disciplina: Engenharia Civil
Banca: Verbena
Orgão: GoiásFomento
No planejamento das manutenções de um edifício, a priorização das ações deve ser feita com base em uma matriz de riscos, considerando principalmente: riscos, consequências da falha, probabilidade de ocorrência e urgência. Assim, na definição do plano de manutenção, devem ser priorizadas situações que envolvem
 

Provas

Questão presente nas seguintes provas
4002344 Ano: 2025
Disciplina: Engenharia Civil
Banca: Verbena
Orgão: GoiásFomento
Diversas ferramentas podem auxiliar na tomada de decisão, permitindo maior controle sobre prazos, custos e recursos no contexto do planejamento de obras. Qual ferramenta de planejamento auxilia na análise e otimização de prazos e na determinação dos caminhos críticos?
 

Provas

Questão presente nas seguintes provas
4002343 Ano: 2025
Disciplina: Engenharia Civil
Banca: Verbena
Orgão: GoiásFomento
Ao realizar uma inspeção predial, um engenheiro se deparou com vários trechos do sistema predial de esgoto sanitário interligados às zonas de sobrepressão. Essa patologia está associada a qual problema observado na edificação?
 

Provas

Questão presente nas seguintes provas
4002342 Ano: 2025
Disciplina: Engenharia Civil
Banca: Verbena
Orgão: GoiásFomento
Em uma avaliação durante operação (ADO), um engenheiro responsável por realizar o diagnóstico e a identificação de patologias construtivas se deparou com um problema associado ao frequente entupimento do subcoletor de esgoto do sistema predial. Ao avaliar o cenário, verificou-se que o problema estava associado à declividade excessiva do subcoletor, que estava resultando na segregação da fase sólida e líquida durante o escoamento e, consequentemente, deposição de sólidos e entupimento da tubulação. Essa patologia está associada a subcoletores prediais instalados com declividades superiores a"
 

Provas

Questão presente nas seguintes provas
4002341 Ano: 2025
Disciplina: Engenharia Civil
Banca: Verbena
Orgão: GoiásFomento
A avaliação do potencial de colapsibilidade de um solo é essencial para avaliação de viabilidade técnica em obras de controle de escoamento superficial, baseadas na infiltração de águas pluviais em um solo. Essa avaliação pode ser feita calculando-se o coeficiente de colapso para uma tensão de inundação desejada, sendo um solo considerado potencialmente colapsível quando apresentar um coeficiente de colapso superior a
 

Provas

Questão presente nas seguintes provas
4002340 Ano: 2025
Disciplina: Engenharia Civil
Banca: Verbena
Orgão: GoiásFomento
Quando submetidos à oscilação de umidade, os solos não saturados podem sofrer deformação, aumentando ou reduzindo de volume, o que pode resultar em problemas estruturais. Visando avaliar potenciais problemas de deformação e deslocamento advindos da infiltração da água em um solo, foi solicitado um ensaio para averiguação das curvas de compressibilidade obtidas em ensaios de adensamento, com e sem inundação. Essa avaliação é feita por meio de qual ensaio?
 

Provas

Questão presente nas seguintes provas