Foram encontradas 50 questões.
Para fins de elaboração de estudos e projetos acústicos de ambientes internos a edificações, os valores de referência de níveis de pressão sonora, em função de sua finalidade de uso, são estabelecidos pela NBR 10152:2017. Nesse sentido, analise a tabela abaixo:
| Finalidade de uso | Valores de referência | ||
|---|---|---|---|
| RLAeq (dB) | RLASmax (dB) | RLNC | |
| Clínicas e hospitais | |||
| Berçários | A | ||
| Enfermarias | B | ||
| Quartos coletivos | C | D | |
Tabela 01 – Valores de referência para ambientes internos de uma edificação de acordo com suas finalidades de uso
De acordo com essa norma, as letras A, B e C na Tabela 01 acima referem-se, respectivamente, a:
Provas
Analise a Figura 02 abaixo:

Figura 02 – sem escala
De acordo com a NBR 7256:2022, a imagem acima apresenta um ambiente do tipo:
Provas
Sobre a NBR 7256:2022 – Tratamento de ar em estabelecimentos assistenciais de saúde — Requisitos para projeto e execução das instalações, é correto afirmar que:
Provas
Em relação à execução de desenhos para obras de concreto simples ou armado abordadas pela NBR 7191:1982, é INCORRETO afirmar que:
Provas
Sobre os perfis laminados de aço para uso estrutura abordados pela NBR 15980:2024, é INCORRETO afirmar que:
Provas
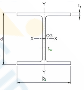
Analise a Figura 07 abaixo:

Figura 07 – sem escala
De acordo com a NBR 15980:2024, a figura acima apresenta um perfil do tipo:
Provas
Em uma representação gráfica, a linha que tem aplicação em “limites de vistas ou cortes parciais interrompidos” é do tipo:
Provas
Sobre o projeto, seleção e instalação de extintores de incêndio, é INCORRETO afirmar que:
Provas
Sobre as áreas de refúgio exemplificadas na Figura 05 abaixo, é INCORRETO afirmar que:

Figura 05 – Desenho esquemático de área de refúgio – NBR 9077:2001
Provas
Considerando os requisitos da Tabela 7 da NBR 9077:2001, assinale a alternativa correta quanto às exigências mínimas para o número de saídas e o tipo de escada em edificações de ocupação H3.
Provas
Caderno Container