Foram encontradas 280 questões.
Considere a figura abaixo de uma rosca métrica triangular.

Segundo a nomenclatura indicada na figura,
Provas
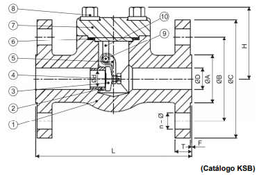
Para a manutenção corretiva de circuitos que utilizam válvulas, é muito importante que se conheça características e comportamentos destes dispositivos. Considere o desenho e as informações abaixo.

I. O desenho corresponde a uma vista de uma válvula tipo borboleta.
II. O desenho representa uma vista de uma válvula de charneira.
III. A peça número 2 é o obturador.
IV. A peça número 5 é o guia do obturador.
V. A peça número 3 é o vedante.
Está correto o que consta APENAS em
Provas
Pretende-se medir o comprimento da Peça A, utilizando-se uma régua com a escala graduada em polegadas, conforme a figura abaixo.

O valor da medida do comprimento da Peça A, em polegadas, é de
Provas
O torque de aperto de um parafuso deverá ser aplicado conforme a tabela abaixo.

Se o braço do torquímetro (distância entre o eixo de rotação e o centro de aplicação da força) é de 500 mm, a força que o operador deve aplicar no cabo para apertar um parafuso M12 × 1,75 de classe de resistência 6.8 é, em N,
Provas

Trata-se de um
Provas
Ao realizar a análise dos resultados após um dia de produção e monitoramento de um sistema de medição e controle do volume deslocado de água em uma usina hidrelétrica, o profissional da área se deparou com a situação ilustrada na figura 2, que deverá ser comparada com a figura 1, tomada como referência para a avaliação do resultado.

Após análise, a avaliação apresentou
Provas
Para o posicionamento do ângulo de um cabeçote medidor em uma máquina operatriz foi necessário utilizar um goniômetro para medidas em graus, com resolução de 5 minutos (5’). Ao fazer a medição, a visualização do operador foi a apresentada na figura abaixo.

O ângulo lido no goniômetro corresponde a
Provas
Durante a conferência da medida da espessura do flange do acoplamento de um sistema bomba-motor foi utilizado um paquímetro universal de 150mm, com aproximação de leitura de 0,02mm. Considere imagem abaixo.

A leitura da medida S no paquímetro é, em mm,
Provas
Considere o circuito abaixo.

O circuito ilustrado corresponde ao comando de uma máquina operatriz instalada no setor produtivo de uma empresa. A função de limitar a pressão hidráulica no sistema é realizada pelo componente
Provas
Está correto o que consta APENAS em
Provas
Caderno Container