Foram encontradas 60 questões.
A potência de 10 kW corresponde, em CV e em HP, a aproximadamente.
Provas
Questão presente nas seguintes provas
Um transformador trifásico ideal de distribuição secundária tem o primário ligado em triângulo e recebendo tensão de uma linha de transmissão de 13,8 kV e o secundário ligado em estrela com neutro, disponibilizando para as residências as tensões de 127 / 220 V. Considerando uma carga equilibrada ligada no secundário consumindo potência ativa igual a 190 kW e com fator de potência unitário, a corrente na linha de transmissão de alimentação do primário será, em A, de, aproximadamente,
Provas
Questão presente nas seguintes provas
Analise o circuito abaixo, onde os diodos são ideais (VF = 0) e todas as lâmpadas são de 12 V.

As lâmpadas e as situações elencadas estão correta e respectivamente expressas em
Provas
Questão presente nas seguintes provas
Um resistor de 270 kΩ ± 5% é codificado pelas cores
Provas
Questão presente nas seguintes provas
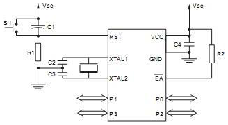
Considere o circuito básico de um microcontrolador 8051 e as afirmações abaixo.

I. Na condição em que se encontra a entrada 
, o microcontrolador está configurado para utilizar a memória de programa externa. II. O circuito formado por C1 e R1 faz o reset automático ao ligar.
III. Imediatamente após o acionamento de S1, os ports P1, P2 e P3 irão para nível lógico “1” e o port P0 ficará com suas saídas em aberto.
Está correto o que consta em
Provas
Questão presente nas seguintes provas
Analise o programa assembly 8051 abaixo
DEC @R0
DJNZ R1,VOLTA
JNB P0.0,PULA
CLR A
PULA: ADD A,@R0
PARA: LJMP PARA
No final da rotina apresentada, o valor do registrador A é igual a
MOV SP,#3FH
CLR A
MOV R0,#20H
MOV R1,#03H
MOV B,#12H
MOV P1,#5AH
MOV @R0,B
VOLTA: DEC ADEC @R0
DJNZ R1,VOLTA
JNB P0.0,PULA
CLR A
PULA: ADD A,@R0
PARA: LJMP PARA
No final da rotina apresentada, o valor do registrador A é igual a
Provas
Questão presente nas seguintes provas
Uma impedância de (100 + j50) Ω em série com outra de (50 - j100) Ω resulta em uma impedância equivalente de natureza
Provas
Questão presente nas seguintes provas
Considere as especificações de um transformador ideal:
Frequência: 60 Hz ~
Primário: 120 V
Secundário: 24 V
Potência nominal: 0,24 kVA
Respeitadas as especificações, a corrente eficaz no primário pode variar, em A, de
Frequência: 60 Hz ~
Primário: 120 V
Secundário: 24 V
Potência nominal: 0,24 kVA
Respeitadas as especificações, a corrente eficaz no primário pode variar, em A, de
Provas
Questão presente nas seguintes provas
Uma carga indutiva consome potência ativa de 160 W e potência reativa de 90 VAR. Nesse caso, a potência aparente vale, em VA, aproximadamente,
Provas
Questão presente nas seguintes provas
A tensão senoidal de 60 Hz com valor RMS de 127 V tem valores de pico e de pico-a-pico, em V, respectiva e aproximadamente, iguais a
Provas
Questão presente nas seguintes provas
Cadernos
Caderno Container