Foram encontradas 55 questões.
Uma viga de seção retangular possui as dimensões de 20cm x 30cm x 5m. Sabendo-se que o custo do concreto para a construtora é igual a R$ 200,00 para cada 1 m3 , determine o custo total do concreto utilizado para produzir essa viga.
Provas
Questão presente nas seguintes provas
- Tecnologia das ConstruçõesSistemas e Elementos ConstrutivosSistemas EstruturaisPrincípios e Fundamentos
- Tecnologia das ConstruçõesSistemas e Elementos ConstrutivosSistemas EstruturaisMorfologia e Funcionamento das Estruturas
Para uma determinada obra, serão necessárias 40 barras de aço CA-50 com diâmetro igual a 8mm e comprimento de 3m. Sabendo-se que o peso linear dessa barra de aço é igual a 4 kg/m, determine o peso total (em kg) de aço a ser adquirido.
Provas
Questão presente nas seguintes provas
- Tecnologia das ConstruçõesSistemas e Elementos ConstrutivosSistemas EstruturaisMorfologia e Funcionamento das Estruturas
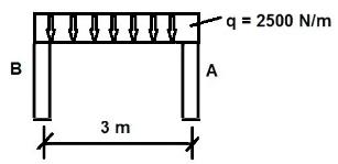
A figura a seguir representa uma viga, que está apoiada em dois pilares A e B, com uma distância entre os pilares de 3m. Sabendo-se que a carga distribuída aplicada na viga é igual a 2500 N/m, determine o valor do momento fletor máximo atuante na viga.


Provas
Questão presente nas seguintes provas
No programa AUTOCAD, qual é a função do comando " FILLET"?
Provas
Questão presente nas seguintes provas
- Tecnologia das ConstruçõesSistemas e Elementos ConstrutivosSistemas EstruturaisMorfologia e Funcionamento das Estruturas
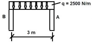
A figura a seguir representa uma viga, que está apoiada em dois pilares A e B, com uma distância entre os pilares de 3m. Sabendo-se que a carga distribuída aplicada na viga é igual a 2500 N/m e que as cargas nos pilares A e B são representadas por RA e RB, respectivamente, determine qual o valor da carga em cada um dos pilares.


Provas
Questão presente nas seguintes provas
Em uma obra, são necessários 45 vidros de 30cm x 40cm, para instalação nas janelas. Considerando-se que o valor a ser pago é de R$ 15,00 por cada 1 m2 de vidro, qual é o valor total a ser pago pelos vidros que serão utilizados na obra?
Provas
Questão presente nas seguintes provas
- Legislação e NormasNormas sobre Planejamento e Controle de Obras
- Planejamento e Controle de Obras
- Tecnologia das ConstruçõesSistemas e Elementos ConstrutivosSistemas EstruturaisEstruturas de Concreto
- Tecnologia das ConstruçõesSistemas e Elementos ConstrutivosSistemas EstruturaisEstruturas Metálicas
- Tecnologia das ConstruçõesSistemas e Elementos ConstrutivosSistemas EstruturaisMorfologia e Funcionamento das Estruturas
Para o projeto e a fiscalização de obras, é importante o conhecimento das Normas NBR-6118 e NBR-6120. O assunto tratado nessas duas normas é, respectivamente:
Provas
Questão presente nas seguintes provas
Assinale a alternativa que contenha somente características de uma construção sustentável.
Provas
Questão presente nas seguintes provas
Assinale a alternativa que possui dois exemplos das FERRAMENTAS "OBJECT SNAP" do programa AUTOCAD.
Provas
Questão presente nas seguintes provas
- Tecnologia das ConstruçõesSistemas e Elementos ConstrutivosSistemas EstruturaisEstruturas de Concreto
Para construir os estribos de uma viga, serão utilizadas barras de aço de bitola de 5mm e comprimento de 6m. Sabendo-se que se utiliza um pedaço de apenas 80cm para fabricar cada estribo, qual é a quantidade máxima de estribos que é possível fabricar usando apenas uma barra de aço?
Provas
Questão presente nas seguintes provas
Cadernos
Caderno Container