Foram encontradas 60 questões.
- Hidráulica e HidrologiaHidráulica na Engenharia Civil
- Instalações em Engenharia CivilInstalações Hidrosanitárias
Uma tubulação parte de um ponto A com cota 100 m para um ponto B, distante, horizontalmente, 50 m do ponto inicial. Do ponto B, parte outra tubulação para o ponto C, distante, horizontalmente, 100 m desse ponto.
Sabendo que a tubulação é ascendente em relação ao ponto A e que a declividade do primeiro trecho é de 0,5%, enquanto a do segundo trecho é de 1,0%, assinale a opção que indica a cota do ponto C.
Provas
- Hidráulica e HidrologiaHidráulica na Engenharia Civil
- Instalações em Engenharia CivilInstalações Hidrosanitárias
Provas
Provas
Em um reservatório prismático de base quadrada, com lado 20 m x 20 m, o marcador de nível indicava 1,5 m às 12 horas do dia 1º de maio de 2014. No dia seguinte, às 8 horas, o marcador de nível indicava 1,0 m.
Considerando que nesse período não houve entrada de água no reservatório, assinale a opção que indica a vazão média de saída nesse período.
Provas
Os manômetros, equipamentos utilizados para medição local de pressão, são de dois tipos: os manômetros de líquidos e os manômetros elásticos.
Assinale a opção que apresenta um tipo de manômetro de líquido.
Provas
Na reforma de uma antiga residência unifamiliar, verificou-se que a tubulação de água fria era de chumbo e a tubulação de água quente era de cobre.
Considerando apenas os materiais que constituem essas tubulações, é necessária a realização do seguinte procedimento:
Provas
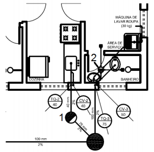
A figura a seguir apresenta parte da instalação de esgoto sanitário de uma edificação:

Os elementos indicados com os números 1 e 2 são conhecidos, respectivamente, como
Provas
A figura a seguir apresenta parte do diagrama vertical de água fria de uma edificação:

As tuburães indicadas pelos números 1 e 2 são, respectivamente,
Provas
A figura a seguir apresenta um tipo de ligação muito comum em instalações hidráulicas prediais:

Essa ligação é chamada de ligação
Provas
A figura a seguir apresenta uma vista de um elemento de conexão utilizado em instalações hidráulicas prediais.

Este elemento é denominado
Provas
Caderno Container