Foram encontradas 407 questões.
A circulação de correntes harmônicas nos equipamentos e condutores pode resultar
em aumento das perdas e redução da vida desses elementos. Na resolução de problemas relacionados
às distorções harmônicas, é importante saber identificar e estimar as distorções harmônicas
individuais e totais associadas às cargas não lineares. Considere os dados abaixo:
Características da carga: Magnitude da corrente na frequência fundamental: 100 A
Magnitude da corrente na terceira harmônica: 8 A
Magnitude da corrente na quinta harmônica: 6 A
Sendo assim, assinale a alternativa que apresenta os valores de distorção harmônica individuais e total de corrente produzidos por essa carga.
Características da carga: Magnitude da corrente na frequência fundamental: 100 A
Magnitude da corrente na terceira harmônica: 8 A
Magnitude da corrente na quinta harmônica: 6 A
Sendo assim, assinale a alternativa que apresenta os valores de distorção harmônica individuais e total de corrente produzidos por essa carga.
Provas
Questão presente nas seguintes provas
Relacione a Coluna 1 à Coluna 2, associando os elementos de eletrônica de potência
às suas respectivas definições ou aplicações em sistemas elétricos.
Coluna 1
1. MOSFETs ou transistores de efeito de campo metal-óxido-semicondutor.
2. IGBTs ou transistores bipolar de porta isolada.
3. Retificadores com pontes de diodo.
4. Inversores.
Coluna 2
( ) Convertem a frequência de linha em Corrente Alternada (CA) para Corrente Contínua (CC), com a potência fluindo somente em uma direção.
( ) Em conversores em modo chaveado, são usados abaixo de algumas centenas de volts, com frequências de chaveamento acima de 100 kHz.
( ) A partir de uma fonte em CC, produzem tensões em CA para alimentar e controlar cargas, como motores.
( ) Para conversores em modo chaveado, são dominantes em aplicações de tensões e correntes elevadas, com potências no nível de MW, e frequências de chaveamento abaixo de algumas dezenas de kHz.
A ordem correta de preenchimento dos parênteses, de cima para baixo, é:
Coluna 1
1. MOSFETs ou transistores de efeito de campo metal-óxido-semicondutor.
2. IGBTs ou transistores bipolar de porta isolada.
3. Retificadores com pontes de diodo.
4. Inversores.
Coluna 2
( ) Convertem a frequência de linha em Corrente Alternada (CA) para Corrente Contínua (CC), com a potência fluindo somente em uma direção.
( ) Em conversores em modo chaveado, são usados abaixo de algumas centenas de volts, com frequências de chaveamento acima de 100 kHz.
( ) A partir de uma fonte em CC, produzem tensões em CA para alimentar e controlar cargas, como motores.
( ) Para conversores em modo chaveado, são dominantes em aplicações de tensões e correntes elevadas, com potências no nível de MW, e frequências de chaveamento abaixo de algumas dezenas de kHz.
A ordem correta de preenchimento dos parênteses, de cima para baixo, é:
Provas
Questão presente nas seguintes provas
A manutenção __________ é um tipo de manutenção planejada que aplica de forma
sistemática técnicas de análise, buscando reduzir manutenções _______________, aumentando a
disponibilidade do equipamento elétrico durante toda a sua vida útil. A manutenção __________ é
uma técnica utilizada a fim de evitar que as falhas ocorram, sendo realizadas intervenções, por
exemplo, entre intervalos específicos de tempo no equipamento elétrico. Por outro lado, a manutenção
__________ é um conjunto de ações para a recuperação do equipamento elétrico em data posterior
ao evento da falha.
Assinale a alternativa que preenche, correta e respectivamente, as lacunas do trecho acima.
Assinale a alternativa que preenche, correta e respectivamente, as lacunas do trecho acima.
Provas
Questão presente nas seguintes provas
O projeto dos elementos que compõem uma subestação é baseado nas correntes de
curto-circuito, entre elas, as correntes de curto-circuito relativas ao ponto de conexão da subestação
com a rede de distribuição. Considerando as características no ponto de entrega apresentadas abaixo,
assinale a alternativa que apresenta de forma correta o cálculo das correntes de curto-circuito
trifásico e fase-terra neste ponto.
Tensão de linha (fase-fase): Vl em kV.
Tensão de fase (fase-neutro): Vf em kV.
Impedância de sequência positiva: Z1 em Ohms.
Impedância de sequência zero: Z0 em Ohms.
Tensão de linha (fase-fase): Vl em kV.
Tensão de fase (fase-neutro): Vf em kV.
Impedância de sequência positiva: Z1 em Ohms.
Impedância de sequência zero: Z0 em Ohms.
Provas
Questão presente nas seguintes provas
Os dispositivos de proteção da corrente diferencial-residual (dispositivos DR)
desempenham importante papel na proteção de pessoas contra choques elétricos em instalações
elétricas. Referente a esse assunto, analise as assertivas abaixo, assinalando V, se verdadeiras, ou F,
se falsas.
( ) O uso de dispositivos DR dispensa, em circuitos monofásicos de tomadas, o uso de condutor de proteção.
( ) O aterramento do tipo TT dispensa o uso de dispositivo DR.
( ) Devem ser objeto de proteção adicional por dispositivo DR os circuitos de tomadas de corrente situadas em áreas internas que possam vir a alimentar equipamentos no exterior.
( ) Os circuitos que sirvam a pontos de utilização situados em locais contendo banheira ou chuveiro devem ser objeto de proteção adicional por dispositivo DR, com corrente diferencial-residual com corrente nominal igual ou inferior a 300 mA.
A ordem correta de preenchimento dos parênteses, de cima para baixo, é:
( ) O uso de dispositivos DR dispensa, em circuitos monofásicos de tomadas, o uso de condutor de proteção.
( ) O aterramento do tipo TT dispensa o uso de dispositivo DR.
( ) Devem ser objeto de proteção adicional por dispositivo DR os circuitos de tomadas de corrente situadas em áreas internas que possam vir a alimentar equipamentos no exterior.
( ) Os circuitos que sirvam a pontos de utilização situados em locais contendo banheira ou chuveiro devem ser objeto de proteção adicional por dispositivo DR, com corrente diferencial-residual com corrente nominal igual ou inferior a 300 mA.
A ordem correta de preenchimento dos parênteses, de cima para baixo, é:
Provas
Questão presente nas seguintes provas
O conhecimento sobre unifilares e os requisitos de proteções é necessário para o
profissional que realiza melhorias através de modificações em instalações elétricas existentes.
Considerando o unifilar da imagem abaixo, analise as assertivas a seguir:

I. A corrente de atuação do disjuntor D1 deve ser inferior à capacidade de condução de corrente do Condutor 1 e superior à corrente nominal do Circuito 1.
II. Por critério de seletividade, ao ocorrer um curto-circuito no Condutor 1 (Circuito 1), devem atuar somente os disjuntores D2 e D3, sequencialmente.
III. O nível de curto-circuito (corrente máxima de curto-circuito) no QGD (Quadro Geral de Distribuição) influencia apenas a seleção dos condutores, não sendo utilizado para especificar o disjuntor.
IV. Sendo uma subestação com capacidade instalada maior que 300 kVA, o disjuntor D3 deve ser acionado através de relés secundários com funções de sobrecorrente de fase e neutro.
Quais estão corretas?

I. A corrente de atuação do disjuntor D1 deve ser inferior à capacidade de condução de corrente do Condutor 1 e superior à corrente nominal do Circuito 1.
II. Por critério de seletividade, ao ocorrer um curto-circuito no Condutor 1 (Circuito 1), devem atuar somente os disjuntores D2 e D3, sequencialmente.
III. O nível de curto-circuito (corrente máxima de curto-circuito) no QGD (Quadro Geral de Distribuição) influencia apenas a seleção dos condutores, não sendo utilizado para especificar o disjuntor.
IV. Sendo uma subestação com capacidade instalada maior que 300 kVA, o disjuntor D3 deve ser acionado através de relés secundários com funções de sobrecorrente de fase e neutro.
Quais estão corretas?
Provas
Questão presente nas seguintes provas
Ao avaliar projetos para instalações elétricas, o engenheiro deve conhecer os critérios
de dimensionamento de condutores apresentados na Norma NBR 5410 – Instalações Elétricas em
Baixa Tensão. Considere um eletroduto de seção circular embutido em alvenaria (método de referência
B1 da norma) com dois circuitos. O circuito de maior potência é um circuito trifásico equilibrado,
contendo condutores de fase, neutro e proteção e isolado em PVC. A corrente desse circuito de maior
potência é 160 A, sem conteúdo harmônico, e o condutor neutro é protegido contra sobrecorrentes.
Assinale a alternativa que apresenta as menores seções para os condutores de fase, neutro e proteção
que atendem ao critério de capacidade de condução de corrente (considerando apenas o fator de
agrupamento) e ao critério de seção mínima. Seguem informações nas Tabelas 1 a 5.


Provas
Questão presente nas seguintes provas
Entre as condições requeridas para o funcionamento das instalações de energia
elétrica, um ponto importante a ser estudado nos motores de indução é a relação entre o conjugado
do motor e da carga, característica apresentada na figura abaixo. Sobre isso, analise as assertivas
abaixo, assinalando V, se verdadeiras, ou F, se falsas.

( ) O conjugado mecânico mede o esforço necessário que o motor deve ter para girar o seu eixo. É também conhecido como torque.
( ) O conjugado de aceleração é o conjugado desenvolvido na partida do motor, desde o estado de repouso até a velocidade de regime. Durante a fase de aceleração, a curva do conjugado do motor é superior à curva representativa do conjugado de carga. Essa diferença entre as curvas fornece o conjugado de aceleração.
( ) O conjugado nominal (Cn) é aquele que o motor desenvolve, à potência nominal, quando submetido à tensão e frequência nominais. Nessa condição, com o conjugado do motor e da carga sendo iguais, o motor trabalha na sua velocidade nominal.
( ) Sendo o motor de indução de 4 polos (60 Hz) e com escorregamento de 2%, a velocidade nominal é de 3564 rpm.
A ordem correta de preenchimento dos parênteses, de cima para baixo, é:

( ) O conjugado mecânico mede o esforço necessário que o motor deve ter para girar o seu eixo. É também conhecido como torque.
( ) O conjugado de aceleração é o conjugado desenvolvido na partida do motor, desde o estado de repouso até a velocidade de regime. Durante a fase de aceleração, a curva do conjugado do motor é superior à curva representativa do conjugado de carga. Essa diferença entre as curvas fornece o conjugado de aceleração.
( ) O conjugado nominal (Cn) é aquele que o motor desenvolve, à potência nominal, quando submetido à tensão e frequência nominais. Nessa condição, com o conjugado do motor e da carga sendo iguais, o motor trabalha na sua velocidade nominal.
( ) Sendo o motor de indução de 4 polos (60 Hz) e com escorregamento de 2%, a velocidade nominal é de 3564 rpm.
A ordem correta de preenchimento dos parênteses, de cima para baixo, é:
Provas
Questão presente nas seguintes provas
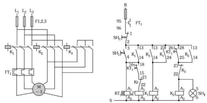
Ao estudar as condições requeridas para o funcionamento da maquinaria em uma
instalação elétrica, é importante conhecer os circuitos de força e o comando de motores. A imagem
abaixo apresenta o circuito de força (esquerda) e o comando (direita) de um motor trifásico com
partida estrela-triângulo. Analise as assertivas abaixo, assinalando V, se verdadeiras, ou F, se falsas.

( ) Ao pressionar o botão pulsador SH1, é acionado o relé de tempo KT1 que alimenta a bobina do contator K3, energizando a bobina de K1. Assim, o motor inicia a sua partida em estrela.
( ) Decorrido o tempo selecionado em KT1, o relé de tempo fecha, energizando o contator K2 e interrompendo a alimentação do contator K3. O contator K2 é mantido energizado, e o motor opera com a conexão em triângulo.
( ) Ao pressionar o botão de impulso SH0, os circuitos das bobinas dos contatores K1 e K2 são desligados, interrompendo o funcionamento do circuito.
( ) A ligação em estrela-triângulo é possível se há possibilidade de ligação em dupla tensão, e os motores devem ter, no mínimo, seis bornes de ligação.
A ordem correta de preenchimento dos parênteses, de cima para baixo, é:

( ) Ao pressionar o botão pulsador SH1, é acionado o relé de tempo KT1 que alimenta a bobina do contator K3, energizando a bobina de K1. Assim, o motor inicia a sua partida em estrela.
( ) Decorrido o tempo selecionado em KT1, o relé de tempo fecha, energizando o contator K2 e interrompendo a alimentação do contator K3. O contator K2 é mantido energizado, e o motor opera com a conexão em triângulo.
( ) Ao pressionar o botão de impulso SH0, os circuitos das bobinas dos contatores K1 e K2 são desligados, interrompendo o funcionamento do circuito.
( ) A ligação em estrela-triângulo é possível se há possibilidade de ligação em dupla tensão, e os motores devem ter, no mínimo, seis bornes de ligação.
A ordem correta de preenchimento dos parênteses, de cima para baixo, é:
Provas
Questão presente nas seguintes provas
Entre os estudos pertinentes à solução de problemas de Engenharia Elétrica, uma
análise importante é o efeito das partidas de motores, realizadas através dos seus circuitos de força
e comando. Analise as assertivas abaixo em relação a motores trifásicos de indução:
I. Na partida com chave estrela-triângulo, a corrente de partida corresponde a 1/3 da corrente de partida do acionamento de forma direta.
II. Na partida com chave compensadora ajustada com o tape em 80%, o conjugado de partida corresponde a 80% do conjugado de partida do acionamento de forma direta.
III. Na partida com chave estrela-triângulo, o conjugado de partida é igual ao conjugado de partida do acionamento de forma direta.
IV. Na partida com chave compensadora ajustada com o tape em 80%, a corrente de partida corresponde a 64% da corrente de partida do acionamento de forma direta.
Quais estão corretas?
I. Na partida com chave estrela-triângulo, a corrente de partida corresponde a 1/3 da corrente de partida do acionamento de forma direta.
II. Na partida com chave compensadora ajustada com o tape em 80%, o conjugado de partida corresponde a 80% do conjugado de partida do acionamento de forma direta.
III. Na partida com chave estrela-triângulo, o conjugado de partida é igual ao conjugado de partida do acionamento de forma direta.
IV. Na partida com chave compensadora ajustada com o tape em 80%, a corrente de partida corresponde a 64% da corrente de partida do acionamento de forma direta.
Quais estão corretas?
Provas
Questão presente nas seguintes provas
Cadernos
Caderno Container