Foram encontradas 60 questões.
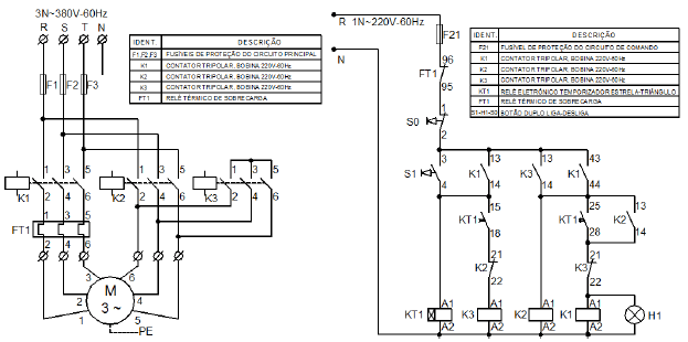
Com base nas figuras abaixo, que mostram os diagramas de força e de comando de uma chave de partida estrela-triângulo acionando um motor de indução trifásico, no momento que se pressionar o botão S1,

Provas
Questão presente nas seguintes provas
Sabendo-se que o neutro do transformador é solidamente aterrado, e as massas dos equipamentos são ligadas a eletrodos distintos do aterramento do neutro, o esquema de aterramento dessa instalação é
Provas
Questão presente nas seguintes provas
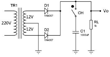
As tensões de saída Vo, para o circuito mostrado na figura abaixo, com a chave CH aberta e com a chave fechada, são, respectivamente,
Considere: !$ \sqrt {2} = 1,41 !$ e π = 3,14.

Provas
Questão presente nas seguintes provas
No sistema internacional de unidades (SI), o comprimento, a potência elétrica, a corrente elétrica e o tempo são, respectivamente, expressos em
Provas
Questão presente nas seguintes provas
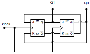
A sequência da contagem realizada pelo contador síncrono mostrado no circuito da figura abaixo, admitindo-se que Q1 é o bit mais significativo, é

Provas
Questão presente nas seguintes provas
Sabendo-se que um motor elétrico de indução trifásico de VIII polos, representado pela placa de identificação abaixo, será alimentado por um sistema elétrico trifásico, com tensão de 440V (entre fases), através de uma chave de partida direta, a velocidade do campo girante do estator (em rpm) e a corrente de partida desse motor são

Provas
Questão presente nas seguintes provas
O pungente amor
“A descoberta da poesia de Carlos Drummond de Andrade, em 1949, atingiu-me de maneira contraditória: chocou-me e obrigou-me a mudar de rumo.
Para que se entenda melhor o que ocorreu, devo esclarecer que a poesia que fazia até ali nascera da leitura dos parnasianos, com os quais aprendera a compor sonetos rigorosamente rimados e metrificados. Ignorava a poesia moderna. Foi a leitura de Poesia até agora, de Drummond, que provocou o choque. Havia no livro um poema que falava em „lua diurética". Fiquei perplexo: aquilo não podia ser poesia, disse-me, pois para mim era, por exemplo: „Ora direis, ouvir estrelas, certo,/ perdeste o senso..." ou „Hão de chorar por ela os cinamomos..." Lua diurética não tinha nada a ver...
Mas não conseguia largar o livro de Drummond. Lia e relia alguns dos poemas que mais me perturbavam. E terminei tomando uma decisão: ler os críticos modernos para entender o que era de fato aquela poesia antipoética. [...]
A verdade é que, agora, quando releio alguns poemas de Drummond daquela época, me reconheço neles, percebo que sua fala está entranhada na minha, que aprendi com ele „o pungente amor" da vida.”
(Texto de Ferreira Gullar. Revista Cult, n. 26. 1999)
Encontramos reflexões apropriadas sobre o texto em todos os itens abaixo, exceto em
Provas
Questão presente nas seguintes provas
Se um motor CC produz um torque de 2,6 N.m, quando a corrente de armadura é de 2 A, o torque com uma corrente de 0,5 A será
Provas
Questão presente nas seguintes provas
Considerando-se ainda o circuito mostrado na questão anterior, a potência dissipada pelo transistor Q2 é
Provas
Questão presente nas seguintes provas
Um motor monofásico de 1CV, 220Vac, 60Hz, Cosφ = 0,8 e rendimento de 0,9 é ligado numa tomada em 220Vac, 60 Hz. A corrente nominal de funcionamento do motor é
Provas
Questão presente nas seguintes provas
Cadernos
Caderno Container